| |
|
|
|
 |
 |
| 图号 |
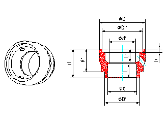
ΦD |
ΦDˊ |
ФD″ |
Φd |
Φdˊ |
H |
Hˊ |
L |
Lˊ |
h |
|
| YH-153 |
Φ47.1 |
Φ32 |
Φ42 |
Φ28 |
Φ26 |
27.5 |
21.9 |
15.5 |
11 |
3 |
|
| YH-153-1 |
Φ47.1 |
Φ35 |
Φ42.2 |
Φ28 |
Φ26 |
27.5 |
21.9 |
15.5 |
11 |
3.8 |
|
| YH-153-2 |
Φ47.1 |
Φ32 |
Φ42 |
Φ28 |
Φ26 |
27.5 |
21.9 |
15.5 |
11 |
3.8 |
|
| YH-153-3 |
Φ47.1 |
Φ35 |
Φ42 |
Φ28 |
Φ26 |
27.5 |
21.9 |
15.5 |
11 |
3 |
|
| SY-056 |
Φ46.5 |
Φ30 |
Φ39 |
Φ17 |
Φ15.5 |
26.2 |
20.6 |
12 |
12.5 |
3 |
|
| SY-056-1 |
Φ45.9 |
Φ30 |
Φ39 |
Φ17 |
Φ15.5 |
26.2 |
20.6 |
12 |
12.5 |
3 |
|
| SY-056-2 |
Φ46 |
Φ30 |
Φ39 |
Φ17 |
Φ15.5 |
26.2 |
20.6 |
12 |
12.5 |
3 |
|
| SY-056-3 |
Φ43.4 |
Φ30 |
Φ39.1 |
Φ18 |
Φ16.5 |
27 |
21.4 |
12.8 |
12.5 |
3 |
|
| SY-058-1 |
Φ41.9 |
Φ30 |
Φ35 |
Φ25 |
Φ22.8 |
26 |
20.8 |
13 |
11.5 |
3 |
|
| YH-283 |
Φ42.9 |
Φ32 |
Φ39 |
Φ28 |
Φ26 |
28 |
23 |
15.5 |
11 |
3.3 |
|
| YH-283-1 |
Φ42.9 |
Φ32 |
Φ38.8 |
Φ28 |
Φ26 |
28 |
23 |
15.5 |
11 |
3 |
|
| YH-204 |
Φ41.45 |
Φ30 |
Φ35 |
Φ25 |
Φ22.8 |
26.4 |
20.8 |
12.8 |
12 |
3.2 |
|
| YH-204-1 |
Φ41.45 |
Φ30 |
Φ35 |
Φ25 |
Φ22.8 |
26.4 |
20.8 |
12.8 |
12 |
2.8 |
|
| YH-204-3 |
Φ41.45 |
Φ30 |
Φ35 |
Φ25 |
Φ22.8 |
26.2 |
20.6 |
12.8 |
11.8 |
3 |
|
| YH-204-4 |
Φ41.45 |
Φ30 |
Φ35 |
Φ25 |
Φ22.8 |
26.4 |
20.8 |
12.8 |
12 |
2.7 |
|
| YH-204-5 |
Φ41.45 |
Φ30 |
Φ35 |
Φ25 |
Φ22.8 |
26.4 |
20.8 |
12.8 |
12 |
3.2 |
|
| YH-204-6 |
Φ40 |
Φ30 |
Φ35 |
Φ25 |
Φ22.8 |
26.4 |
20.8 |
12.8 |
12 |
3.2 |
|
| YH-203 |
Φ39.4 |
Φ30 |
Φ35.2 |
Φ25 |
Φ22.8 |
26.4 |
20.8 |
12.8 |
12 |
3 |
|
| YH-203-2 |
Φ39.4 |
Φ30 |
Φ35 |
Φ25 |
Φ22.8 |
26.4 |
20.8 |
12.8 |
12 |
3 |
|
| YH-282 |
Φ37.9 |
Φ30 |
Φ34 |
Φ23 |
Φ21 |
25 |
20 |
12.5 |
11 |
3 |
|
| YH-282-1 |
Φ36 |
Φ25 |
Φ34 |
Φ23 |
Φ20.5 |
29 |
24 |
15.2 |
12 |
2.8 |
|
| SY-055 |
Φ37.4 |
Φ25 |
Φ32 |
Φ14.4 |
Φ13.5 |
22 |
16.4 |
8.8 |
11.5 |
2.8 |
|
| SY-055-1 |
Φ22 |
Φ25 |
Φ32 |
Φ14.4 |
Φ13.5 |
22 |
16.4 |
8.8 |
11.5 |
3 |
|
| SY-042 |
Φ39 |
Φ30 |
Φ30 |
Φ23 |
Φ21 |
16 |
11 |
12.2 |
2.3 |
|
|
| SY-043 |
Φ36.4 |
Φ30 |
Φ33.2 |
Φ14.4 |
Φ13.2 |
24 |
18.4 |
10.5 |
12 |
3.2 |
|
| YH-202 |
Φ36.1 |
Φ30 |
Φ32 |
Φ14.4 |
Φ13.2 |
24.5 |
18.4 |
10.5 |
12 |
2.8 |
|
| YH-205 |
Φ39 |
Φ30 |
Φ35 |
Φ25 |
Φ22.8 |
26.4 |
20.8 |
13 |
11.5 |
3 |
|
| YH-206 |
Φ30 |
Φ20 |
Φ16 |
Φ10 |
|
15 |
12 |
10 |
5 |
|
|
| YH-280 |
Φ35.9 |
Φ25 |
Φ32 |
Φ14.4 |
Φ13.2 |
24 |
18 |
10.5 |
12 |
2.8 |
|
| YH-301 |
Φ36.4 |
Φ25 |
Φ32 |
Φ14.4 |
Φ13.2 |
24 |
18 |
10.5 |
12 |
2.8 |
|
| YH-044 |
Φ42.5 |
Φ30 |
Φ39 |
Φ17 |
Φ15.5 |
26.2 |
20.6 |
12 |
12.5 |
3 |
|
| SY-057 |
Φ36.4 |
Φ30 |
Φ33.2 |
Φ14.4 |
Φ13.2 |
24 |
18.4 |
10.5 |
12 |
3.2 |
|
| YH-406 |
Φ41.9 |
Φ30 |
Φ35 |
Φ25 |
Φ22.8 |
26 |
20.8 |
13 |
11.5 |
3.2 |
|
| YH-284 |
Φ41.4 |
Φ30 |
Φ37 |
Φ23 |
Φ20.8 |
26.4 |
20.8 |
12.5 |
12 |
3.5 |
|
| YH-274 |
Φ37.2 |
Φ30 |
Φ32 |
Φ14.4 |
Φ13.2 |
24.5 |
18.4 |
10.5 |
12 |
2.8 |
|
| YH-285 |
Φ36.4 |
Φ25 |
Φ33 |
Φ14.4 |
Φ13.2 |
24.5 |
18.4 |
10.5 |
12 |
3.2 |
|
| YH-286 |
Φ46.9 |
Φ32 |
Φ41 |
Φ25 |
Φ22.8 |
30 |
24 |
16 |
12 |
3.5 |
|
| YH-286-1 |
Φ45.9 |
Φ32 |
Φ41 |
Φ25 |
Φ22.8 |
30 |
24 |
16 |
12 |
3.7 |
|
| YH-286-2 |
Φ46.9 |
Φ30 |
Φ41 |
Φ25 |
Φ22.8 |
30 |
24 |
16 |
12 |
3.5 |
|
| YH-286-3 |
Φ46.9 |
Φ32 |
Φ41 |
Φ25 |
Φ22.8 |
30 |
24 |
16 |
12 |
3.5 |
|
| YH-286-5 |
Φ45.9 |
Φ32 |
Φ41 |
Φ25 |
Φ22.8 |
30 |
24 |
16 |
12 |
3.5 |
|
| YH-286-9 |
Φ45.9 |
Φ32 |
Φ41 |
Φ25 |
Φ22.8 |
30 |
24 |
16 |
12 |
3 |
|
| YH-286-10 |
Φ47.9 |
Φ32 |
Φ41 |
Φ25 |
Φ22.8 |
30 |
24 |
16 |
12 |
3.5 |
|
| YH-286-11 |
Φ46.9 |
Φ32 |
Φ41 |
Φ25 |
Φ22.8 |
30 |
24 |
16 |
12 |
3.1 |
|
| YH-289 |
Φ29.9 |
Φ20 |
Φ20.5 |
Φ12 |
Φ10.8 |
17.5 |
11.5 |
9 |
7 |
|
|
| YH-214 |
Φ46.9 |
Φ30 |
Φ41.2 |
Φ23 |
Φ20.8 |
30 |
24 |
16 |
12 |
3.5 |
|
| YH-214-1 |
Φ45.9 |
Φ30 |
Φ41.2 |
Φ23 |
Φ20.8 |
30 |
24 |
16 |
12 |
3.5 |
|
| YH-214-2 |
Φ45.9 |
Φ30 |
Φ41 |
Φ25 |
Φ22.8 |
30 |
24 |
16 |
12 |
3.5 |
压衬套 |
| YH-214-3 |
Φ45.9 |
Φ30 |
Φ41 |
Φ25 |
Φ22.8 |
30 |
24 |
16 |
12 |
3.5 |
|
| YH-214-9 |
Φ46.9 |
Φ30 |
Φ41 |
Φ23 |
Φ20.8 |
30 |
24 |
16 |
12 |
3.5 |
|
| YH-214-10 |
Φ45.9 |
Φ30 |
Φ30 |
Φ23 |
Φ20.8 |
24.5 |
19.5 |
15.5 |
7 |
|
|
| YH-215 |
Φ44.4 |
Φ30 |
Φ39 |
Φ23 |
Φ20.8 |
30 |
24 |
16 |
12 |
3.6 |
|
| YH-215-2 |
Φ44.4 |
Φ30 |
Φ38 |
Φ20 |
Φ19 |
30 |
24 |
16 |
12 |
3.2 |
|
| YH-215-4 |
Φ42.4 |
Φ30 |
Φ39 |
Φ23 |
Φ20.8 |
30 |
24 |
16 |
12 |
3.6 |
|
| YH-216 |
Φ40.9 |
Φ30 |
Φ37 |
Φ23 |
Φ20.8 |
30 |
24 |
16 |
12 |
3.5 |
|
| YH-216-1 |
Φ39.9 |
Φ30 |
Φ34 |
Φ23 |
Φ21 |
30 |
24 |
16 |
12 |
3 |
|
| YH-216-3 |
Φ39.9 |
Φ27 |
Φ34 |
Φ23 |
Φ21 |
28 |
24 |
12.5 |
12 |
3 |
|
| YH-216-4 |
Φ40.9 |
Φ30 |
Φ37 |
Φ23 |
Φ20.8 |
30 |
24 |
16 |
12 |
3.2 |
|
| YH-216-6 |
Φ40.4 |
Φ30 |
Φ34 |
Φ23 |
Φ21 |
30 |
24 |
16 |
12 |
3 |
|
| YH-216-7 |
Φ39 |
Φ27 |
Φ34 |
Φ23 |
Φ21 |
28 |
24 |
12.5 |
12 |
3 |
|
| YH-216-8 |
Φ40.9 |
Φ30 |
Φ37 |
Φ20 |
Φ20.8 |
30 |
24 |
16 |
12 |
3.5 |
压衬套 |
| YH-216-9 |
Φ39.9 |
Φ27 |
Φ34 |
Φ23 |
Φ21 |
28 |
24 |
12.5 |
12 |
3 |
压衬套 |
| YH-277 |
Φ40.9 |
Φ30 |
Φ36 |
Φ20 |
Φ18.8 |
30 |
24 |
16 |
12 |
3.5 |
|
| YH-277-3 |
Φ40.9 |
Φ30 |
Φ36 |
Φ20 |
Φ18.8 |
30 |
24 |
16 |
12 |
3.5 |
|
| YH-277-5 |
Φ40.9 |
Φ30 |
Φ36 |
Φ20 |
Φ18.8 |
29.8 |
23.8 |
16 |
12 |
3.3 |
|
| YH-277-6 |
Φ40.9 |
Φ32 |
Φ36 |
Φ20 |
Φ18.8 |
30 |
24 |
16 |
12 |
3.5 |
|
| YH-251 |
Φ53.9 |
Φ40 |
Φ48 |
Φ31 |
Φ28.8 |
30 |
24 |
16 |
12 |
3.5 |
|
| YH-251-1 |
Φ53.9 |
Φ35 |
Φ48 |
Φ31 |
Φ28.8 |
30 |
24 |
16 |
12 |
3.5 |
|
| SY-062 |
Φ44.9 |
Φ30 |
Φ39 |
Φ17 |
Φ15.5 |
30 |
24 |
16 |
12 |
3 |
|
| SY-062-1 |
Φ43 |
Φ30 |
Φ38.7 |
Φ17 |
Φ15.5 |
30 |
24 |
16 |
12 |
3 |
|
| SY-062-2 |
Φ41.9 |
Φ30 |
Φ38.7 |
Φ17 |
Φ15.5 |
30 |
24 |
16 |
12 |
3.5 |
|
| YH-287 |
Φ41.9 |
Φ30 |
Φ37 |
Φ23 |
Φ20.8 |
26.4 |
20.8 |
12.5 |
12 |
3.5 |
|
| YH-072 |
Φ42.9 |
Φ30 |
Φ39 |
Φ17 |
Φ15.5 |
26.2 |
20.6 |
12 |
12.5 |
3 |
|
| YH-299 |
Φ46.9 |
Φ35 |
Φ42 |
Φ28 |
Φ25.8 |
30 |
24 |
16 |
11 |
3 |
|
| YH-300 |
Φ39.9 |
Φ30 |
Φ35 |
Φ25 |
Φ22.8 |
26.4 |
20.8 |
12.8 |
12 |
3 |
|
| YH-291 |
Φ37.1 |
Φ25 |
Φ32 |
Φ14.4 |
Φ13.2 |
24 |
18 |
10.5 |
10 |
2.8 |
|
| SY-067 |
Φ39.4 |
Φ30 |
Φ34 |
Φ23 |
Φ21 |
30 |
24 |
16 |
12 |
3 |
|
| YH-286-1 |
Φ45.9 |
Φ32 |
Φ41 |
Φ25 |
Φ22.8 |
30 |
24 |
16 |
12 |
3.7 |
|
| YH-355 |
Φ47.9 |
Φ35 |
Φ42 |
Φ28 |
Φ25.8 |
30 |
24 |
16 |
12 |
3 |
|
| YH-216-3 |
Φ39.9 |
Φ27 |
Φ34 |
Φ23 |
Φ21 |
28 |
24 |
12.5 |
12 |
3 |
|
| SY-068 |
Φ37.5 |
Φ27 |
Φ34 |
Φ23 |
Φ21 |
25 |
20 |
12.5 |
11 |
3 |
|
| SY-069 |
Φ37.1 |
Φ27 |
Φ32 |
Φ14.4 |
Φ13.2 |
24 |
18 |
10.5 |
10 |
2.8 |
|
| SY-070 |
Φ39.9 |
Φ30 |
Φ36 |
Φ20 |
Φ18.8 |
30 |
24 |
16 |
12 |
3.5 |
|
| YH-353 |
Φ41.9 |
Φ27 |
Φ37 |
Φ14.4 |
Φ13.2 |
24 |
18 |
10.5 |
12 |
2.8 |
|
| YH-356 |
Φ47.5 |
Φ32 |
Φ41 |
Φ25 |
Φ22.8 |
30 |
24 |
16 |
12 |
3.5 |
|
| YH-355-1 |
Φ47.2 |
Φ35 |
Φ42 |
Φ28 |
Φ25.8 |
30 |
24 |
16 |
11 |
3 |
|
| YH-355-2 |
Φ47.1 |
Φ32 |
Φ42 |
Φ28 |
Φ25.8 |
27.5 |
21.9 |
15.5 |
11 |
3 |
|
| YH-355-3 |
Φ47.5 |
Φ35 |
Φ42 |
Φ28 |
Φ25.8 |
30 |
24 |
16 |
11 |
3 |
|
| YH-356-1 |
Φ47.3 |
Φ32 |
Φ41 |
Φ25 |
Φ22.8 |
30 |
24 |
16 |
12 |
3.5 |
|
| YH-045 |
Φ36.4 |
Φ25 |
Φ32 |
Φ14.4 |
Φ13.2 |
19.5 |
14.5 |
8.8 |
9.7 |
2.8 |
|
| SY-073 |
Φ42.9 |
Φ30 |
Φ37 |
Φ14.4 |
Φ13.2 |
19.5 |
14.5 |
8.8 |
9.7 |
2.8 |
|
| SY-073-1 |
Φ42.9 |
Φ25 |
Φ37 |
Φ14.4 |
Φ13.2 |
19.5 |
14.5 |
8.8 |
9.7 |
2.8 |
|
| SY-073-5 |
Φ42.4 |
Φ30 |
Φ37 |
Φ14.4 |
Φ13.2 |
19.5 |
14.5 |
8.8 |
9.7 |
2.8 |
|
| SY-074 |
Φ42.4 |
Φ30 |
Φ37 |
Φ14.4 |
Φ13.2 |
24 |
18 |
10.5 |
12 |
2.8 |
|
| YH-030 |
Φ46.9 |
Φ35 |
Φ41.2 |
Φ23 |
Φ20.8 |
30 |
24 |
16 |
12 |
3.5 |
|
| YH-030-1 |
Φ46.9 |
Φ32 |
Φ41.2 |
Φ23 |
Φ20.8 |
30 |
24 |
16 |
12 |
3.5 |
|
| YH-030-2 |
Φ46.9 |
Φ32 |
Φ41.2 |
Φ23 |
Φ20.8 |
30 |
24 |
16 |
12 |
3.5 |
|
| YH-216-6 |
Φ40.4 |
Φ30 |
Φ34 |
Φ23 |
Φ21 |
30 |
24 |
16 |
12 |
3 |
|
| YH-044-2 |
Φ42.5 |
Φ27 |
Φ39 |
Φ17 |
Φ15.5 |
26.2 |
20.6 |
12 |
12.5 |
3 |
|
| YH-215-4 |
Φ42.4 |
Φ30 |
Φ39 |
Φ23 |
Φ20.8 |
30 |
24 |
16 |
12 |
3.6 |
|
| YH-044-1 |
Φ42.5 |
Φ30 |
Φ39 |
Φ17 |
Φ15.5 |
26.2 |
20.6 |
12 |
12.5 |
3.4 |
|
| YH-044-2 |
Φ42.5 |
Φ27 |
Φ39 |
Φ17 |
Φ15.5 |
26.2 |
20.6 |
12 |
12.5 |
3 |
|
| YH-044-3 |
Φ42.5 |
Φ32 |
Φ39 |
Φ17 |
Φ15.5 |
26.2 |
20.6 |
12 |
12.5 |
3 |
|
| YH-044-4 |
Φ43 |
Φ32 |
Φ39 |
Φ17 |
Φ15.5 |
26 |
20 |
12.5 |
11 |
3 |
压衬套 |
| YH-048 |
Φ47 |
Φ32 |
Φ41 |
Φ25 |
Φ22.8 |
24 |
16 |
12.5 |
10 |
3.5 |
压衬套 |
| YH-048-1 |
Φ48 |
Φ32 |
Φ41 |
Φ25 |
Φ22.8 |
24 |
16 |
12.5 |
10 |
3.5 |
压衬套 |
| YH-317 |
Φ41 |
Φ30 |
Φ30 |
Φ21 |
Φ18.8 |
27 |
23 |
12.8 |
12 |
3.2 |
|
| YH-477 |
Φ44.4 |
Φ35 |
Φ36 |
Φ20 |
Φ18.8 |
30 |
24 |
16 |
12 |
3.5 |
|
| YH-477-1 |
Φ44.4 |
Φ30 |
Φ38 |
Φ20 |
Φ18.8 |
30 |
24 |
16 |
12 |
3 |
|
| YH-480 |
Φ38 |
Φ27 |
Φ32 |
Φ14.4 |
Φ13 |
20.5 |
14.5 |
8.5 |
10.5 |
3 |
压衬套 |
| YH-480-1 |
Φ37 |
Φ27 |
Φ32 |
Φ14.4 |
Φ13 |
20.5 |
14.5 |
8.5 |
10.5 |
3 |
压衬套 |
| YH-480-2 |
Φ38 |
Φ27 |
Φ32 |
Φ14.4 |
Φ13 |
20.5 |
14.5 |
8.5 |
10.5 |
3.2 |
压衬套 |
| YH-480-3 |
Φ38 |
Φ27 |
Φ32 |
Φ12.4 |
|
20.5 |
14.5 |
10 |
10.5 |
3 |
|
| YH-480-4 |
Φ38 |
Φ27 |
Φ32 |
Φ12.4 |
|
20.5 |
14.5 |
10 |
10.5 |
3.2 |
|
| YH-482 |
Φ46 |
Φ30 |
Φ41.2 |
Φ23 |
Φ21 |
29 |
16.5 |
15 |
12 |
3.5 |
压衬套 |
| YH-486 |
Φ47.9 |
Φ32 |
Φ41 |
Φ25 |
Φ22.8 |
27 |
21 |
13 |
12 |
3.3 |
|
| YH-486-1 |
Φ47.9 |
Φ30 |
Φ41 |
Φ25 |
Φ22.8 |
27 |
21 |
15 |
10 |
3.5 |
压衬套 |
| YH-498 |
Φ42.5 |
Φ25 |
Φ37 |
Φ14.4 |
Φ13.2 |
24 |
18 |
10.5 |
12 |
2.8 |
|
| YH-499 |
Φ42.5 |
Φ30 |
Φ37 |
Φ14.4 |
Φ13.2 |
24 |
18 |
10.5 |
12 |
2.8 |
|
| SY-089 |
Φ41.5 |
Φ32 |
Φ35 |
Φ25 |
Φ23 |
25.5 |
18.5 |
13 |
11 |
3 |
|
| SY-090 |
Φ36 |
Φ30 |
Φ32 |
Φ14.4 |
Φ13.2 |
24 |
18 |
10.7 |
12 |
3.1 |
|
| SY-091 |
Φ36 |
Φ25 |
Φ32 |
Φ14.4 |
Φ13.2 |
24 |
18.4 |
10.5 |
12 |
3.1 |
|
| SY-186 |
Φ43.9 |
Φ30 |
Φ37 |
Φ14.4 |
Φ13.2 |
24 |
18 |
10.5 |
12 |
2.8 |
|
| SY-186-1 |
Φ40.5 |
Φ33 |
Φ36 |
Φ17 |
Φ15.5 |
22.4 |
16.2 |
12.5 |
8.9 |
3.2 |
|
|
|
|