| |
|
|
|
| 图号 |
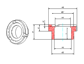
ΦD |
ΦDˊ |
ФD″ |
Φd |
Φdˊ |
H |
Hˊ |
H″ |
L |
| YH-139 |
Φ38.7 |
Φ30 |
Φ29 |
Φ23 |
Φ21 |
19 |
8.5 |
2.3 |
15.2 |
| YH-140 |
Φ38.7 |
Φ30 |
Φ29 |
Φ20 |
Φ19 |
19 |
8.5 |
2.3 |
15.2 |
| YH-141 |
Φ42.1 |
Φ30 |
Φ29 |
Φ23 |
Φ21 |
19 |
8.5 |
2.3 |
15.2 |
| YH-142 |
Φ42.1 |
Φ30 |
Φ29 |
Φ20 |
Φ19 |
19 |
8.5 |
2.3 |
15.2 |
| YH-143 |
Φ44.4 |
Φ32 |
Φ33 |
Φ25 |
Φ23 |
19 |
8.5 |
2.3 |
15.2 |
| YH-144 |
Φ44.4 |
Φ30 |
Φ33 |
Φ23 |
Φ21 |
19 |
8.5 |
2.3 |
15.2 |
| YH-145 |
Φ42.1 |
Φ30 |
Φ29 |
Φ25 |
Φ23 |
19 |
8.5 |
2.3 |
15.2 |
| YH-146 |
Φ47.5 |
Φ35 |
Φ35 |
Φ28 |
Φ26 |
19.5 |
8.5 |
2.3 |
15.5 |
| YH-172 |
Φ31.3 |
Φ25 |
Φ17 |
Φ14.4 |
Φ13.2 |
17.5 |
8.5 |
2.3 |
13.5 |
| YH-172-1 |
Φ31.3 |
Φ25 |
Φ17 |
Φ14.4 |
Φ13.2 |
13 |
8.5 |
2.3 |
9 |
| YH-188 |
Φ38.4 |
Φ30 |
Φ29 |
Φ18 |
Φ17 |
19 |
8 |
2.3 |
15.5 |
| YH-197 |
Φ36.8 |
Φ30 |
Φ29 |
Φ25 |
Φ23 |
19 |
8.5 |
2.3 |
15.2 |
| YH-386(S) |
Φ43 |
Φ32 |
Φ36 |
Φ25 |
Φ23 |
20 |
12 |
3 |
15.2 |
| YH-007 |
Φ36.8 |
Φ30 |
Φ30 |
Φ23 |
Φ21 |
15 |
10 |
1.5 |
12.2 |
| YH-082 |
Φ26.2 |
Φ20 |
Φ17.6 |
Φ12 |
Φ10.8 |
13 |
8 |
3 |
8.5 |
| YH-211 |
Φ32.2 |
Φ30 |
Φ25 |
Φ14.4 |
Φ13.2 |
15 |
10 |
2 |
11.5 |
| YH-231 |
Φ42.5 |
Φ32 |
Φ35.5 |
Φ25 |
Φ23 |
21 |
18.5 |
2 |
18.5 |
| YH-319 |
Φ36.8 |
Φ30 |
Φ30 |
Φ25 |
Φ23 |
17.5 |
12 |
1.5 |
15.5 |
| YH-320 |
Φ38.6 |
Φ25 |
Φ26 |
Φ20 |
Φ18.5 |
20 |
8 |
2.5 |
16 |
| YH-320-1 |
Φ38.6 |
Φ30 |
Φ26 |
Φ20 |
Φ18.5 |
20 |
8 |
2.5 |
16 |
| YH-337 |
Φ39.2 |
Φ30 |
Φ29 |
Φ18 |
Φ17 |
16 |
8 |
2.3 |
12.5 |
|
|
|