| |
|
|
|
 |
|
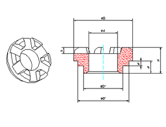
| 型 号 |
ΦD |
ΦDˊ |
ФD″ |
Φd |
H |
Hˊ |
Hˊˊ |
h |
|
|
YH-065 |
Φ28 |
Φ23.8 |
Φ22.1 |
Φ16 |
11 |
4.3 |
2 |
2.5 |
|
|
YH-065-2 |
Φ28 |
Φ23.7 |
Φ22.1 |
Φ16 |
11.2 |
4.5 |
1.5 |
3 |
|
|
YH-065-1 |
Φ28 |
Φ23.8 |
Φ22.1 |
Φ16 |
11 |
4.3 |
2 |
2.5 |
无槽 |
|
YH-170 |
Φ29.5 |
Φ25.8 |
Φ22.1 |
Φ16 |
14 |
7.3 |
3 |
3.5 |
|
|
YH-123 |
Φ33 |
Φ28.8 |
Φ22.1 |
Φ16 |
14 |
7.3 |
3 |
3.5 |
|
|
YH-123-1 |
Φ33 |
Φ28.8 |
Φ22.1 |
Φ16 |
15 |
7.3 |
3 |
3.5 |
无槽 |
|
YH-123-2 |
Φ33 |
Φ28.8 |
Φ22.1 |
Φ16 |
14 |
6.3 |
3 |
3.5 |
|
|
YH-123-4 |
Φ33 |
Φ28.7 |
Φ22.1 |
Φ16 |
14.7 |
7 |
3.8 |
3.5 |
|
|
YH-124 |
Φ35 |
Φ30.8 |
Φ22.1 |
Φ16 |
17.5 |
7.3 |
3 |
3.5 |
|
|
YH-124-1 |
Φ35 |
Φ30.8 |
Φ22.1 |
Φ16 |
17.5 |
7.3 |
3 |
3.5 |
无槽 |
|
YH-256 |
Φ22.4 |
Φ19 |
Φ17.7 |
Φ13 |
9 |
4.5 |
2.5 |
3 |
|
|
YH-256-1 |
Φ22.4 |
Φ20 |
Φ17.7 |
Φ13 |
8.5 |
4.5 |
2.5 |
2.5 |
|
|
YH-262 |
Φ35 |
Φ30.8 |
Φ22.1 |
Φ16 |
15 |
7.3 |
3 |
4 |
|
|
YH-263 |
Φ28 |
Φ23.8 |
Φ22.1 |
Φ16 |
11 |
4.3 |
2 |
3 |
|
|
YH-264 |
Φ29 |
Φ25.8 |
Φ22.1 |
Φ16 |
15 |
7.3 |
3 |
4 |
|
|
YH-265 |
Φ33 |
Φ28.8 |
Φ22.1 |
Φ16 |
15 |
7.3 |
3 |
4 |
|
|
YH-292 |
Φ28.5 |
Φ24 |
Φ22.2 |
Φ17 |
10.5 |
5.5 |
3 |
3 |
球面 |
|
YH-292-1 |
Φ28.5 |
Φ24 |
Φ22.2 |
Φ17 |
10.5 |
5.5 |
3 |
3 |
球面无槽 |
|
YH-293 |
Φ34 |
Φ29 |
Φ22.2 |
Φ17 |
10.5 |
5.5 |
3 |
3 |
球面 |
|
YH-294 |
Φ35 |
Φ31 |
Φ22.2 |
Φ17 |
11 |
5.5 |
3 |
3 |
球面倒角 |
|
YH-294-1 |
Φ35 |
Φ31 |
Φ22.2 |
Φ17 |
11 |
5.5 |
3 |
3 |
球面未倒角 |
|
YH-329 |
Φ27.5 |
Φ25 |
Φ22.5 |
Φ18 |
9 |
4.5 |
1.5 |
2.5 |
8槽 |
|
YH-329-1 |
Φ27.5 |
Φ25 |
Φ22.5 |
Φ18 |
9 |
4.5 |
1.5 |
3 |
8槽 |
|
YH-365 |
Φ29.5 |
Φ25 .8 |
Φ22.1 |
Φ16 |
13.7 |
7 |
3 |
3.5 |
|
|
YH-433 |
Φ38 |
Φ33.7 |
Φ22.1 |
Φ16 |
17.5 |
7.3 |
3 |
4 |
|
|
SY-107 |
Φ22 |
Φ20.1 |
Φ17.7 |
Φ13 |
6.5 |
3.5 |
2 |
2 |
|
|
|
|