中文版
English
关于我们
公司产品
先进设备
人才招聘
联系我们
·产品搜索
·
减震器
减震器导向器
A类
B类
C类
D类
E类
F类
G类
H类
I类
J类
K类
L类
YH-106
减震器压缩阀体
Y类
减震器活塞
M类
N类
O类
P类
Q类
R类
S类
减震器阀座
T类
U类
V类
W类
X类
复原阀类
复原阀Z类
复原阀2D类
浮动复原阀2E类
衬套类
2A类
限位器类
2B类
·
压缩机配件
压缩机阀板
压缩机轴套
·
粉末冶金齿轮
·
其它结构件
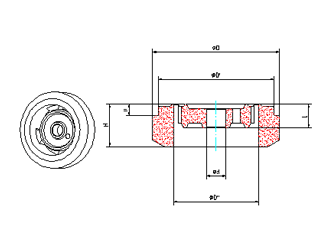
减震器阀座
(X类)
[
订购
]
型 号
ΦD
ΦDˊ
ФD″
Φd
H
L
h
孔数及孔径
YH-038-9
Φ33
Φ30
Φ22
Φ5
Φ11
7
3
1-Φ2
YH-038-8
Φ33
Φ30.8
Φ22
Φ5
Φ11
7
3
6-Φ2
YH-038-6
Φ33
Φ30
Φ22
Φ5
Φ11
7
3
6-Φ2
版权所有:宁波金恒汽车零部件有限公司 技术支持:
中国粉末冶金商务网
CopyRight © 2008 Ningbo Jin-heng Auto Parts Co.,Ltd. All Rights Reserved.