| |
|
|
|
 |
 |
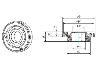
| 图 号 |
ΦD |
ΦD′ |
ФD″ |
Φd |
Φd′ |
H |
H′ |
L |
h |
|
| YH-106 |
Φ56.1 |
Φ40 |
Φ53 |
Φ23 |
Φ21 |
17.5 |
9 |
15.2 |
4 |
|
| YH-106-1 |
Φ52.2 |
Φ40 |
Φ53 |
Φ23 |
Φ21 |
17.5 |
9 |
15.2 |
4 |
|
| YH-106-4 |
Φ56.1 |
Φ35 |
Φ53 |
Φ23 |
Φ21 |
17.5 |
9 |
15.2 |
4 |
|
| YH-107 |
Φ69.1 |
Φ40 |
Φ63 |
Φ23 |
Φ21 |
18 |
9 |
15.2 |
3.2 |
|
| YH-107-3 |
Φ69.1 |
Φ50 |
Φ63 |
Φ23 |
Φ21 |
18 |
10 |
15.2 |
4.2 |
|
| YH-107-4 |
Φ57.7 |
Φ35 |
Φ54.5 |
Φ23 |
Φ21 |
17.5 |
9 |
15.2 |
4 |
|
| SY-039 |
Φ54.2 |
Φ32 |
Φ51 |
Φ17 |
Φ15.8 |
15.5 |
9 |
13.2 |
3.7 |
|
| YH-191 |
Φ39.2 |
Φ30 |
Φ38.2 |
Φ17 |
Φ15.5 |
15.5 |
8.5 |
13.2 |
3.7 |
|
| SY-038 |
Φ44.9 |
Φ30 |
Φ42.5 |
Φ14.4 |
Φ13.2 |
15.5 |
9 |
13.2 |
4.5 |
|
| YH-228 |
Φ47.6 |
Φ30 |
Φ45 |
Φ17 |
Φ15.5 |
15.5 |
9 |
13.2 |
4 |
|
| YH-228-1 |
Φ47.6 |
Φ35 |
Φ45 |
Φ17 |
Φ15.5 |
15.5 |
9 |
13.2 |
4 |
|
| YH-228-2 |
Φ45.4 |
Φ32 |
Φ42.5 |
Φ17 |
Φ15.5 |
15.5 |
9 |
13.2 |
4 |
|
| YH-120-1 |
Φ33.5 |
Φ25 |
Φ32.2 |
Φ14.4 |
Φ13.2 |
15.5 |
9 |
13.2 |
4 |
|
| YH-120-5 |
Φ32.5 |
Φ25 |
Φ32.2 |
Φ14.4 |
Φ13.2 |
15.5 |
9 |
13.2 |
4 |
|
| SY-037 |
Φ40.3 |
Φ30 |
Φ38.5 |
Φ14.4 |
Φ13.2 |
15.5 |
9 |
13.2 |
3.5 |
|
| SY-037-1 |
Φ40.3 |
Φ25 |
Φ38.5 |
Φ14.4 |
Φ13.2 |
11 |
7.5 |
7.5 |
3.5 |
压衬套 |
| SY-037-2 |
Φ39 |
Φ25 |
Φ38.5 |
Φ14.4 |
Φ13.2 |
11 |
7.5 |
7.5 |
3.5 |
压衬套 |
| YH-217 |
Φ35 |
Φ25 |
Φ34 |
Φ14.4 |
Φ13.2 |
15.5 |
9 |
13.2 |
3.8 |
|
| YH-217-1 |
Φ34.6 |
Φ25 |
Φ34 |
Φ14.4 |
Φ13.2 |
14 |
7 |
11.7 |
3.8 |
|
| YH-159-3 |
Φ39.2 |
Φ25 |
Φ37.7 |
Φ14.4 |
Φ13.2 |
15.5 |
9 |
13.2 |
3.5 |
|
| YH-159-2 |
Φ39.2 |
Φ30 |
Φ37.7 |
Φ14.4 |
Φ13.2 |
15.5 |
9 |
13.2 |
3.5 |
|
| YH-161 |
Φ31.9 |
Φ25 |
Φ31 |
Φ14.4 |
Φ13.2 |
9 |
6 |
7.5 |
4 |
压衬套 |
| YH-174-1 |
Φ35 |
Φ30 |
Φ33 |
Φ14.4 |
Φ13.2 |
15.5 |
9 |
13.2 |
3.8 |
|
| YH-174-3 |
Φ34.5 |
Φ30 |
Φ33 |
Φ14.4 |
Φ13.2 |
15.5 |
9 |
13.2 |
3.8 |
|
| YH-186-1 |
Φ35 |
Φ30 |
Φ34 |
Φ14.4 |
Φ13.2 |
12 |
8 |
9 |
4 |
|
| SY-063 |
Φ44.9 |
Φ30 |
Φ42.5 |
Φ17 |
Φ15.5 |
15.5 |
9 |
13.2 |
4 |
|
| YH-288 |
Φ45.4 |
Φ30 |
Φ42.5 |
Φ17 |
Φ15.5 |
15.5 |
9 |
13.2 |
4 |
|
| YH-325 |
Φ63 |
Φ50 |
Φ59 |
Φ23 |
Φ21 |
18 |
9 |
15.2 |
4 |
|
| YH-334 |
Φ33.5 |
Φ25 |
Φ32.2 |
Φ14.4 |
Φ13.2 |
12 |
8 |
9 |
4 |
|
| YH-334-1 |
Φ32.6 |
Φ25 |
Φ32.2 |
Φ14.4 |
Φ13.2 |
12 |
8 |
9 |
4 |
|
| YH-334-2 |
Φ32.5 |
Φ25 |
Φ32.2 |
Φ14.4 |
Φ13.2 |
12 |
8 |
9 |
4 |
|
| YH-325-1 |
Φ63 |
Φ40 |
Φ59 |
Φ23 |
Φ21 |
18 |
9 |
15.2 |
4 |
|
| YH-325-2 |
Φ63 |
Φ45 |
Φ59 |
Φ23 |
Φ21 |
18 |
9 |
15.2 |
4 |
|
| YH-330 |
Φ42.1 |
Φ32 |
Φ33 |
Φ14.4 |
Φ13.2 |
15.5 |
9 |
13.2 |
4 |
|
| YH-228-1 |
Φ47.6 |
Φ35 |
Φ45 |
Φ17 |
Φ15.5 |
15.5 |
9 |
13.2 |
4 |
|
| YH-336 |
Φ35 |
Φ25 |
Φ34 |
Φ14.4 |
Φ13.2 |
12 |
8 |
9 |
4 |
|
| YH-335 |
Φ39.2 |
Φ30 |
Φ37.7 |
Φ14.4 |
Φ13.2 |
12 |
8 |
9 |
4 |
|
| YH-354 |
Φ35 |
Φ27 |
Φ33 |
Φ14.4 |
Φ13.2 |
12 |
8 |
9 |
4 |
|
| YH-033 |
Φ54 |
Φ35 |
Φ51 |
Φ17 |
Φ15.8 |
16 |
9.5 |
13.2 |
3.7 |
|
| YH-107-3 |
Φ69.1 |
Φ50 |
Φ63 |
Φ23 |
Φ21 |
18 |
10 |
15.2 |
4.2 |
|
| YH-492 |
Φ38.5 |
Φ30 |
Φ37.3 |
Φ14.5 |
Φ12.8 |
10.5 |
8 |
8.5 |
3 |
|
| YH-500 |
Φ32.2 |
Φ25 |
Φ25 |
Φ14.4 |
Φ13.2 |
15 |
10 |
11.5 |
2 |
|
| YH-502 |
Φ53.75 |
Φ36 |
Φ48.5 |
Φ32 |
Φ28.8 |
38.5 |
35.5 |
33.2 |
5.3 |
压衬套无槽 |
| SY-166 |
Φ40.3 |
Φ30 |
Φ38.5 |
Φ14.4 |
Φ13.2 |
11 |
7.5 |
7.7 |
3.5 |
压衬套 |
|
|
|