中文版
English
关于我们
公司产品
先进设备
人才招聘
联系我们
·产品搜索
·
减震器
减震器导向器
A类
B类
C类
D类
E类
F类
G类
H类
I类
J类
K类
L类
YH-106
减震器压缩阀体
Y类
减震器活塞
M类
N类
O类
P类
Q类
R类
S类
减震器阀座
T类
U类
V类
W类
X类
复原阀类
复原阀Z类
复原阀2D类
浮动复原阀2E类
衬套类
2A类
限位器类
2B类
·
压缩机配件
压缩机阀板
压缩机轴套
·
粉末冶金齿轮
·
其它结构件
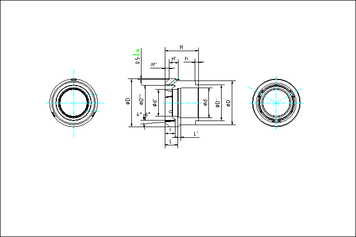
减震器活塞
(M类)
[
订购
]
图号
ΦD
ΦDˊ
ФD"
ФD"’
Φd
Φdˊ
H
Hˊ
H"
h
L
YH-379
Φ40.6
Φ37
Φ30.2
Φ29.75
Φ25
Φ22.8
28.5
8
3.5
3
11
YH-382
Φ46.1
Φ40
Φ32.98
Φ33.82
Φ28
Φ26
28.5
8
3
3
11
YH-388
Φ40.6
Φ35
Φ27
Φ29.75
Φ23
Φ21
28.5
8
3.5
3
11
YH-389
Φ38.6
Φ30
Φ27
Φ27.75
Φ23
Φ21
28.5
8
3.5
3
11
YH-391
Φ40.6
Φ35
Φ30.2
Φ29.75
Φ23
Φ21
28.5
8
3.5
3
11
版权所有:宁波金恒汽车零部件有限公司 技术支持:
中国粉末冶金商务网
CopyRight © 2008 Ningbo Jin-heng Auto Parts Co.,Ltd. All Rights Reserved.