| |
|
|
|
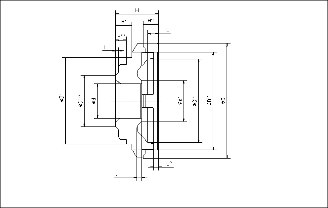
| 图号 |
ΦD |
ΦDˊ |
ФD" |
ФD"’ |
ФD"’’ |
Φd |
Φdˊ |
H |
Hˊ |
H" |
H"’ |
L |
Lˊ |
Lˊ’ |
l |
YH-372 |
Φ66.75 |
Φ50.08 |
Φ56.8 |
Φ49 |
Φ30 |
Φ20 |
Φ24 |
23.5 |
9 |
8.5 |
6 |
5.84 |
2.5 |
2.5 |
1.5 |
YH-403 |
Φ62.75 |
Φ50.02 |
Φ56.8 |
Φ59 |
|
Φ20 |
|
21.5 |
6 |
8.5 |
|
5.84 |
2.5 |
2.5 |
|
YH-446 |
Φ62.75 |
Φ44.47 |
Φ56.8 |
Φ45.45 |
|
Φ20 |
Φ24 |
23.5 |
|
8.5 |
|
5.84 |
2.5 |
2.5 |
|
YH-503 |
Φ66.75 |
Φ50.08 |
Φ56.8 |
Φ49 |
Φ20 |
Φ20 |
Φ24 |
23.5 |
9 |
8.5 |
6 |
5.84 |
2.5 |
2.5 |
|
YH-504 |
Φ62.75 |
Φ50.08 |
Φ56.8 |
Φ49 |
Φ20 |
Φ20 |
Φ24 |
23.5 |
9 |
8.5 |
6 |
5.84 |
2.5 |
2.5 |
|
|
|
|