| |
|
|
|
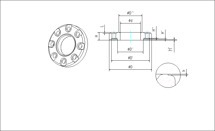
| 型 号 |
ΦD |
ΦDˊ |
ФD″ |
ФD″’ |
Φd |
H |
Hˊ |
Hˊˊ |
h |
|
|
|
YH-021 |
Φ23 |
Φ20.6 |
Φ12.5 |
|
Φ11 |
4 |
0.3 |
0.5 |
0.1 |
|
|
|
YH-055 |
Φ23 |
Φ20.6 |
Φ14 |
|
Φ11 |
4.4 |
0.5 |
0.2 |
0.4 |
|
|
|
YH-056 |
Φ23 |
Φ20.6 |
Φ14 |
|
Φ12.4 |
4 |
0.5 |
1 |
0.2 |
|
|
|
YH-057-1 |
Φ23 |
Φ20.6 |
Φ14 |
|
Φ11 |
4.4 |
|
0.6 |
0.4 |
|
|
|
YH-057-3 |
Φ23 |
Φ20.6 |
Φ14 |
|
Φ11 |
4.3 |
|
0.6 |
0.3 |
|
|
|
YH-057-4 |
Φ23 |
Φ20.6 |
Φ14 |
|
Φ11 |
4.4 |
|
0.6 |
0.4 |
|
|
|
YH-057-5 |
Φ23 |
Φ20.6 |
Φ14 |
|
Φ11 |
4.35 |
|
0.6 |
0.35 |
|
|
|
YH-184 |
Φ23 |
Φ20.6 |
Φ14 |
|
Φ11 |
4.28 |
0.5 |
0.2 |
0.28 |
2--2 |
|
|
YH-184-1 |
Φ23 |
Φ20.6 |
Φ14 |
|
Φ11 |
4.25 |
0.5 |
0.2 |
0.25 |
2-1.5 |
|
|
YH-184-4 |
Φ23 |
Φ20.6 |
Φ14 |
|
Φ11 |
4.25 |
0.5 |
0.2 |
0.25 |
2-1.8 |
|
|
YH-194 |
Φ21.9 |
Φ19.8 |
Φ14.05 |
|
Φ11.6 |
4.4 |
0.5 |
0.4 |
0.4 |
3-1.2 |
|
|
YH-220 |
Φ22 |
Φ20 |
Φ14 |
|
Φ9 |
4.5 |
0.5 |
|
0.05 |
4--2 |
实心 |
|
YH-220-1 |
Φ22 |
Φ20 |
Φ14 |
|
Φ9 |
4.5 |
0.5 |
|
0.3 |
4--2 |
实心 |
|
YH-247 |
Φ22 |
Φ20 .4 |
Φ15.5 |
|
Φ13 |
4.5 |
1.5 |
|
|
3-1.5 |
无槽 |
|
YH-295 |
Φ22 |
Φ20 |
Φ14 |
|
Φ12 |
3.5 |
1 |
|
0.15 |
4-2.15 |
实心 |
|
YH-295-1 |
Φ22 |
Φ20 |
Φ14 |
|
Φ12 |
3.5 |
1 |
|
0.05 |
4-2.15 |
实心 |
|
YH-295-2 |
Φ22 |
Φ20 |
Φ14 |
|
Φ12 |
3.5 |
1 |
|
0.5 |
4-2.15 |
实心 |
|
YH-295-3 |
Φ22 |
Φ20 |
Φ14 |
|
Φ12 |
3.5 |
0.5 |
|
0.3 |
3-1.2 |
实心 |
|
YH-295-4 |
Φ22 |
Φ20 |
Φ14 |
|
Φ12 |
3.5 |
1 |
|
0.2 |
3-1.2 |
实心 |
|
YH-305 |
Φ22 |
Φ19.85 |
Φ14.5 |
|
Φ11.5 |
4 |
1 |
|
0.23 |
3-1.4 |
无槽 |
|
YH-305-1 |
Φ22 |
Φ19.85 |
Φ14.5 |
|
Φ11.5 |
4 |
1 |
|
0.4 |
3-1.2 |
无槽 |
|
YH-305-2 |
Φ22 |
Φ19.85 |
Φ14.5 |
|
Φ11.5 |
4 |
1 |
|
0.15 |
3-1.4 |
无槽 |
|
YH-316 |
Φ17.5 |
Φ15.5 |
Φ11 |
|
Φ7.5 |
33 |
1.1 |
|
0.2 |
6--2 |
无槽 |
|
YH-399 |
Φ22 |
Φ20 |
Φ15 |
Φ14.5 |
Φ13 |
4.2 |
0.5 |
0.5 |
0.25 |
3--2 |
|
|
SY-081 |
Φ17.3 |
Φ15.8 |
Φ11 |
Φ11 |
Φ9 |
4.2 |
0.6 |
0.3 |
|
6-1.4 |
无槽 |
|
SY-081-1 |
Φ17.3 |
Φ15.8 |
Φ11 |
Φ11 |
Φ9 |
4.2 |
0.6 |
0.3 |
|
3-1.4 |
无槽 |
|
SY-101 |
Φ21.8 |
Φ20 |
Φ14 |
Φ13.4 |
Φ11 |
4.3 |
0.4 |
0.4 |
|
3-1.2 |
|
|
SY-103 |
Φ22 |
Φ20 |
Φ15 |
Φ14.5 |
Φ13 |
4.2 |
0.5 |
0.5 |
0.35 |
3-1.3 |
|
|
|
|